Projetos

A FEMS ENERGY possui uma equipe e mão de obra especializada na elaboração de todas as etapas dos projetos e execução dos serviços: levantamento, estudo preliminar, anteprojeto, projeto básico e projeto executivo, elaborados e executamos de acordo com as normas,padrões e os regulamentos pertinentes de cada setor

Nossos Projetos

  • Todos
  • Cabine Primária e Posto de Transformação
  • Redes de Distribuição
  • Centro de Medição
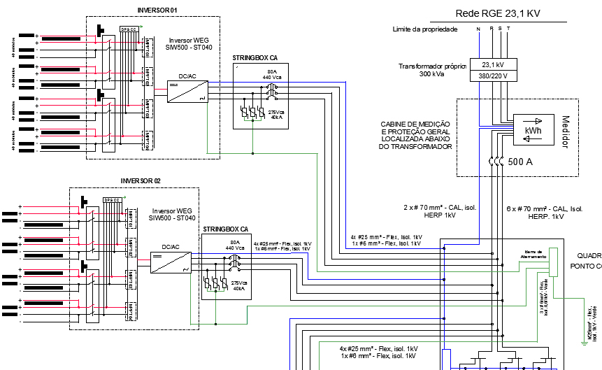
  • Energia Solar
  • Galpões Industriais
Cabine Primária e Posto de transformação
Cabine Primária e Posto de transformação
Cabine Primária e Posto de transformação
Cabine Primária e Posto de transformação
Cabine Primária e Posto de transformação
Redes de Distribuição
Redes de Distribuição
Redes de Distribuição
Redes de Distribuição
Centro de Medição
Centro de Medição
Centro de Medição
Energia Solar
Energia Solar
Energia Solar
Galpões Industriais
Galpões Industriais
Galpões Industriais
Galpões Industriais